首页
产品与服务
产品中心
服务与支持
扫描透射电镜
RAVIIS-300快速自动微颗粒成像分析系统
扫描电镜
SEMNova-1000高通量(场发射)扫描电子显微
服务支持
应用领域
病毒识别
病理诊断
疫苗研发
生物科研
资讯中心
企业新闻
解决方案
下载中心
关于我们
公司简介
发展历程
加入我们
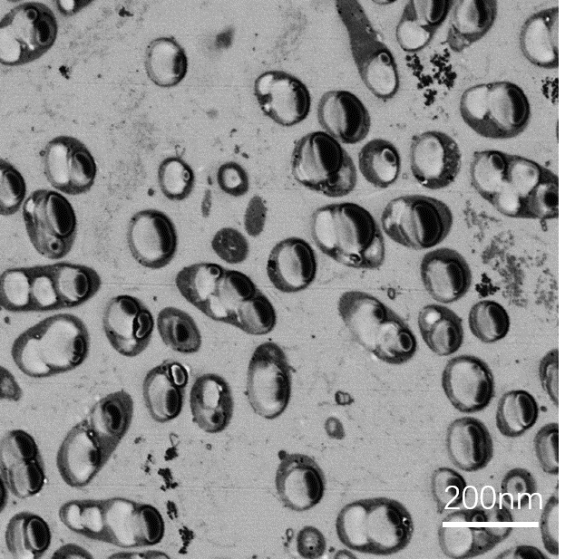
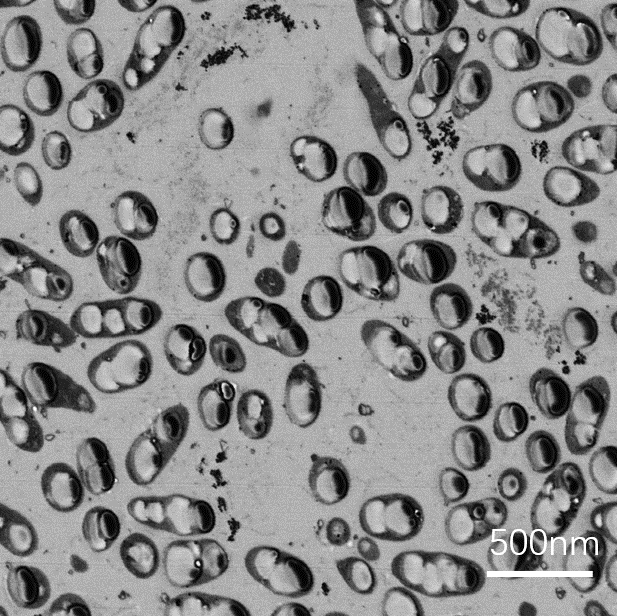
电镜观察病毒的超微结构,通过AI大数据,可实现快速分类、识别。
1-细菌纤维素
痤疮丙酸杆菌
痤疮丙酸杆菌2
大肠杆菌
大肠杆菌-2
杆状病
辣椒疫霉菌丝2
球菌
球菌2
梭菌
梭菌2
盐单胞菌
盐单胞菌2
相关机型
分辨率 1.0nm@50kV(1nA)
单束STEM成像速度100M像素/秒
10ns/像素 驻留时间
全自动样品载入系统
相关解决方案